Skip to content
Product Manuals

Product Manuals

Free downloads of owner's manuals and illustrated parts lists for lawn and garden equipment. 

Please let us know if we can be of further assistance in providing parts for your unit.  We are still adding parts to our online store so our available products are much larger than you'll find through the website.

  • C950-52816-0 Manual for Craftsman 15.5 TP 30" Dual Stage Snow Thrower

    Free Craftsman Manual
    Original price $0.00 - Original price $0.00
    Original price
    $0.00
    $0.00 - $0.00
    Current price $0.00

    C950-52816-0 Craftsman Dual Snow Thrower Owners Manual We carry parts for this snowblower and parts for the engine. If you can't find the parts you...

    View full details
    Original price $0.00 - Original price $0.00
    Original price
    $0.00
    $0.00 - $0.00
    Current price $0.00
  • C 151 61172 Manual for 40" Compact Two Stage Snowblower Attachment for Craftsman Snowlower

    Free Craftsman Manual
    Original price $0.00 - Original price $0.00
    Original price
    $0.00
    $0.00 - $0.00
    Current price $0.00

    C 151 61172 Manual for 40" Compact Two Stage Snowblower Attachment for Craftsman Snowlower Free download. Find the right parts for Canadian Craftsm...

    View full details
    Original price $0.00 - Original price $0.00
    Original price
    $0.00
    $0.00 - $0.00
    Current price $0.00
  • 944.607352 Deck Parts list for Craftsman Tractor

    Free Craftsman Manual
    Original price $0.00 - Original price $0.00
    Original price
    $0.00
    $0.00 - $0.00
    Current price $0.00

    Parts list for the Deck of a 944.607352 Craftsman Lawn Tractor Please note this is JUST the deck parts list - You can find the steering parts list ...

    View full details
    Original price $0.00 - Original price $0.00
    Original price
    $0.00
    $0.00 - $0.00
    Current price $0.00
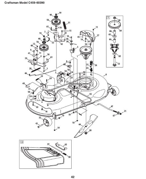
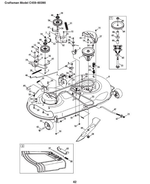
  • C459-60390 Manual for MTD Craftsman 42" Lawn Tractor 13BL78ST599

    Free Craftsman Manual
    Original price $0.00 - Original price $0.00
    Original price
    $0.00
    $0.00 - $0.00
    Current price $0.00

    C459-60390 Manual for MTD Craftsman 42" Lawn Tractor 13BL78ST599 Find the right parts for Canadian Craftsman Lawn Tractors. DR Mower Parts carries ...

    View full details
    Original price $0.00 - Original price $0.00
    Original price
    $0.00
    $0.00 - $0.00
    Current price $0.00
  • 944.101081 Manual Craftsman Garden Tractor

    Free Craftsman Manual
    Original price $0.00 - Original price $0.00
    Original price
    $0.00
    $0.00 - $0.00
    Current price $0.00

    944.101081 Craftsman Garden Tractor 26.0 HP* ELECTRIC START 54" MOWER AUTOMATIC TRANSMISSION GARDEN TRACTOR Manual for Craftsman HP  " Lawn Tractor...

    View full details
    Original price $0.00 - Original price $0.00
    Original price
    $0.00
    $0.00 - $0.00
    Current price $0.00
  • 944.604370 Manual for Craftsman 24.0 HP 46" Lawn Tractor

    Free Craftsman Manual
    Original price $0.00 - Original price $0.00
    Original price
    $0.00
    $0.00 - $0.00
    Current price $0.00

    944.604370 Manual for Craftsman 24.0 HP 46" Lawn Tractor 24.0 HP Electric Start 46" Automatic Transmission Lawn Tractor Find the right parts for Ca...

    View full details
    Original price $0.00 - Original price $0.00
    Original price
    $0.00
    $0.00 - $0.00
    Current price $0.00
  • 944.607053 Manual for Craftsman 15.5 HP Lawn Tractor 917.259522

    Free Craftsman Manual
    Original price $0.00 - Original price $0.00
    Original price
    $0.00
    $0.00 - $0.00
    Current price $0.00

    944.607053 Manual for Craftsman 15.5 HP Lawn Tractor 917.259522 Find the right parts for Canadian Craftsman Lawn Tractors. DR Mower Parts carries g...

    View full details
    Original price $0.00 - Original price $0.00
    Original price
    $0.00
    $0.00 - $0.00
    Current price $0.00
  • 944.606940 Manual for Craftsman 20.0 HP 42" Lawn Tractor

    Free Craftsman Manual
    Original price $0.00 - Original price $0.00
    Original price
    $0.00
    $0.00 - $0.00
    Current price $0.00

    944.606940 Manual for Craftsman 20.0 HP 42" Lawn Tractor 22.0 HP Electric Start 42" Automatic Transmission Lawn Tractor Find the right parts for Ca...

    View full details
    Original price $0.00 - Original price $0.00
    Original price
    $0.00
    $0.00 - $0.00
    Current price $0.00
  • 944.606040 Manual for Craftsman 22.0 HP 42" Lawn Tractor

    Free Craftsman Manual
    Original price $0.00 - Original price $0.00
    Original price
    $0.00
    $0.00 - $0.00
    Current price $0.00

    944.606040 Manual for Craftsman 22.0 HP 42" Lawn Tractor 22.0 HP Electric Start 42" Automatic Transmission Lawn Tractor Find the right parts for Ca...

    View full details
    Original price $0.00 - Original price $0.00
    Original price
    $0.00
    $0.00 - $0.00
    Current price $0.00
  • 944.603890 Manual for Craftsman 20.0 HP 42" Lawn Tractor

    Free Craftsman Manual
    Original price $0.00 - Original price $0.00
    Original price
    $0.00
    $0.00 - $0.00
    Current price $0.00

    944.603890 Manual for Craftsman 20.0 HP 42" Lawn Tractor 20.0 HP Electric Start 42" Automatic Lawn Tractor Find the right parts for Canadian Crafts...

    View full details
    Original price $0.00 - Original price $0.00
    Original price
    $0.00
    $0.00 - $0.00
    Current price $0.00
  • 944.603800 Manual for Craftsman 21.0 HP 42" Lawn Tractor

    Free Craftsman Manual
    Original price $0.00 - Original price $0.00
    Original price
    $0.00
    $0.00 - $0.00
    Current price $0.00

    944.603800 Manual for Craftsman 21.0 HP 42" Lawn Tractor 21.0 HP Electric Start 42" Automatic Lawn Tractor Find the right parts for Canadian Crafts...

    View full details
    Original price $0.00 - Original price $0.00
    Original price
    $0.00
    $0.00 - $0.00
    Current price $0.00
  • 944.600081 Manual for Craftsman 17.5 HP 42" Lawn Tractor

    Free Craftsman Manual
    Original price $0.00 - Original price $0.00
    Original price
    $0.00
    $0.00 - $0.00
    Current price $0.00

    944.600081 Craftsman 42" Lawn Tractor Owners Manual 17.5 HP Electric Start 42" Mower 6 Speed Trans-Axle Lawn Tractor  Free download. Find the right...

    View full details
    Original price $0.00 - Original price $0.00
    Original price
    $0.00
    $0.00 - $0.00
    Current price $0.00
  • 944.600010 Manual for Craftsman 42" Lawn Tractor

    Free Craftsman Manual
    Original price $0.00 - Original price $0.00
    Original price
    $0.00
    $0.00 - $0.00
    Current price $0.00

    944.600010 Craftsman 42" Lawn Tractor  23 HP* Electric Start, 42" Mower, 6 Speed Trans axle Lawn Tractor  Free download. Find the right parts for C...

    View full details
    Original price $0.00 - Original price $0.00
    Original price
    $0.00
    $0.00 - $0.00
    Current price $0.00
  • K5.68 Parts List for Karcher 1.601-911.0

    Free Karcher Manual
    Original price $0.00 - Original price $0.00
    Original price
    $0.00
    $0.00 - $0.00
    Current price $0.00

    K5.68 Parts List for Karcher 1.601-911.0 5.971-147.0  Free download. Find the right parts for your Karcher pressure washer. DR Mower Parts carries ...

    View full details
    Original price $0.00 - Original price $0.00
    Original price
    $0.00
    $0.00 - $0.00
    Current price $0.00
  • C950-52896-0 Manual for Murray Craftsman Snowblower 1695541

    Free Craftsman Manual
    Original price $0.00 - Original price $0.00
    Original price
    $0.00
    $0.00 - $0.00
    Current price $0.00

    C950-52896-0 Murray Craftsman Owners Manual 1695541 We carry parts for this snowblower and parts for the engine. If you can't find the parts you ne...

    View full details
    Original price $0.00 - Original price $0.00
    Original price
    $0.00
    $0.00 - $0.00
    Current price $0.00
  • C950-52805-0 Manual for Craftsman 5 HP 22" Dual Stage Snowblower

    Free Craftsman Manual
    Original price $0.00 - Original price $0.00
    Original price
    $0.00
    $0.00 - $0.00
    Current price $0.00

    C950-52805-0 Craftsman 22" Snowblower Owners Manual We carry parts for this snowblower and parts for the engine. If you can't find the parts you ne...

    View full details
    Original price $0.00 - Original price $0.00
    Original price
    $0.00
    $0.00 - $0.00
    Current price $0.00
  • C459-52101 Manual for Craftsman 2013 24" Snow Thrower

    Free Craftsman Manual
    Original price $0.00 - Original price $0.00
    Original price
    $0.00
    $0.00 - $0.00
    Current price $0.00

    C459-52101 2013 Craftsman 24" Snow Thrower Owners Manual 31AS62EE599 C459.52101 769-07215B 2013 Craftsman We carry parts for this snowblower and pa...

    View full details
    Original price $0.00 - Original price $0.00
    Original price
    $0.00
    $0.00 - $0.00
    Current price $0.00
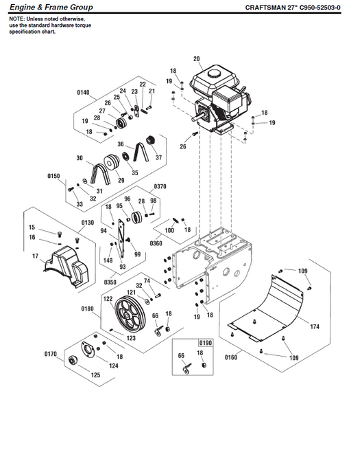
  • C950-52503-0 Craftsman 27" Snowblower Parts List

    Free Craftsman Manual
    Original price $0.00 - Original price $0.00
    Original price
    $0.00
    $0.00 - $0.00
    Current price $0.00

    C950-52503-0 Craftsman 27" Snowblower Parts List Free download. We carry parts for this snowblower and parts for the engine. If you can't find the ...

    View full details
    Original price $0.00 - Original price $0.00
    Original price
    $0.00
    $0.00 - $0.00
    Current price $0.00
  • C950-52482-0 Manual for Craftsman Single Stage Snow Thrower

    Free Craftsman Manual
    Original price $0.00 - Original price $0.00
    Original price
    $0.00
    $0.00 - $0.00
    Current price $0.00

    C950-52482-0 Craftsman Snow thrower Owners Manual We carry parts for this snowblower and parts for the engine. If you can't find the parts you need...

    View full details
    Original price $0.00 - Original price $0.00
    Original price
    $0.00
    $0.00 - $0.00
    Current price $0.00
  • C950-52106-0 Craftsman 22" Snowblower Parts List

    Free Craftsman Manual
    Original price $0.00 - Original price $0.00
    Original price
    $0.00
    $0.00 - $0.00
    Current price $0.00

    C950-52106-0 Craftsman 22" Snowblower Parts List Free download.  We carry parts for this snowblower and parts for the engine.  If you can't find th...

    View full details
    Original price $0.00 - Original price $0.00
    Original price
    $0.00
    $0.00 - $0.00
    Current price $0.00
  • C950-52930-0 Craftsman 31" Snowblower Parts List

    Free Craftsman Manual
    Original price $0.00 - Original price $0.00
    Original price
    $0.00
    $0.00 - $0.00
    Current price $0.00

    C950-52930-0 Craftsman 31" Snowblower Parts List Free download.  We carry parts for this snowblower and parts for the engine.  If you can't find th...

    View full details
    Original price $0.00 - Original price $0.00
    Original price
    $0.00
    $0.00 - $0.00
    Current price $0.00
  • AT4 PRO, PRO-XL & PRO MAX-34 Manual for DR Power Walk-Behind (October 2018 - Present)

    Free DR Power Manual
    Original price $0.00 - Original price $0.00
    Original price
    $0.00
    $0.00 - $0.00
    Current price $0.00

    PRO, PRO-XL & PRO MAX-34 Manual for DR Power Walk-Behind (October 2018 - Present) AT4 Walk Behind Mower (Ser# AT4001165 To Current including 30...

    View full details
    Original price $0.00 - Original price $0.00
    Original price
    $0.00
    $0.00 - $0.00
    Current price $0.00
  • 944.606070 Manual for Craftsman 23.0 HP 48" Lawn Tractor

    Free Craftsman Manual
    Original price $0.00 - Original price $0.00
    Original price
    $0.00
    $0.00 - $0.00
    Current price $0.00

    944.606070 Manual for Craftsman 48" Lawn Tractor  includes owner's manual and parts lists for the Briggs and Stratton engine 445577-0595-E1 and Hyd...

    View full details
    Original price $0.00 - Original price $0.00
    Original price
    $0.00
    $0.00 - $0.00
    Current price $0.00
  • C459-60134 Parts List for Craftsman 54" Lawn Tractor 14AW94PK599 (2011)

    Free Craftsman Manual
    Original price $0.00 - Original price $0.00
    Original price
    $0.00
    $0.00 - $0.00
    Current price $0.00

    C459-60134 Parts List for Craftsman 14AW94PK599 (2011) with Briggs and Stratton engine 49M777-0853-G5 We carry parts for this lawn mower and parts ...

    View full details
    Original price $0.00 - Original price $0.00
    Original price
    $0.00
    $0.00 - $0.00
    Current price $0.00
×
×

View full product info