[{"id":427563343,"handle":"ayp-american-yard-products-parts","title":"Craftsman, Sears, Husqvarna Parts","updated_at":"2025-10-27T13:54:21-06:00","body_html":"\u003cspan\u003eGenuine OEM and quality aftermarket parts - AYP American Yard Products Parts made for Craftsman, Sears, Husqvarna, Poulan, Weedeater outdoor power equipment\u003c\/span\u003e","published_at":"2017-03-11T22:52:00-07:00","sort_order":"manual","template_suffix":"","disjunctive":true,"rules":[{"column":"title","relation":"contains","condition":"Ayp"},{"column":"title","relation":"contains","condition":"sears"},{"column":"title","relation":"contains","condition":"craftsman"},{"column":"title","relation":"contains","condition":"husqvarna"},{"column":"title","relation":"contains","condition":"poulan"},{"column":"title","relation":"contains","condition":"weedeater"},{"column":"vendor","relation":"equals","condition":"American Lawn Mower"},{"column":"vendor","relation":"equals","condition":"Craftsman Husqvarna Jonsered Poulan"},{"column":"vendor","relation":"equals","condition":"Craftsman MTD"},{"column":"vendor","relation":"equals","condition":"Craftsman Murray"}],"published_scope":"web","image":{"created_at":"2017-03-16T21:48:59-06:00","alt":"Craftsman, Sears, Husqvarna Parts","width":2700,"height":1414,"src":"\/\/drmower.store\/cdn\/shop\/collections\/ayp.png?v=1715910161"}},{"id":154728398905,"handle":"manuals","title":"Product Manuals","updated_at":"2025-10-27T05:01:25-06:00","body_html":"\u003cp\u003eFree downloads of owner's manuals and illustrated parts lists for lawn and garden equipment. \u003c\/p\u003e\n\u003cp\u003e\u003cspan data-mce-fragment=\"1\"\u003ePlease let us know if we can be of further assistance in providing parts for your unit. We are still adding parts to our online store so our available products are much larger than you'll find through the website. \u003c\/span\u003e\u003c\/p\u003e","published_at":"2020-01-02T12:41:27-07:00","sort_order":"best-selling","template_suffix":"","disjunctive":false,"rules":[{"column":"type","relation":"equals","condition":"Manuals"},{"column":"vendor","relation":"contains","condition":"free"}],"published_scope":"web","image":{"created_at":"2020-01-02T12:43:44-07:00","alt":"Product Manuals","width":862,"height":900,"src":"\/\/drmower.store\/cdn\/shop\/collections\/525186.jpg?v=1715907004"}},{"id":155963981881,"handle":"all","title":"Products","updated_at":"2025-10-27T14:19:31-06:00","body_html":null,"published_at":"2020-03-11T13:39:20-06:00","sort_order":"alpha-asc","template_suffix":null,"disjunctive":false,"rules":[{"column":"type","relation":"not_equals","condition":"mw_hidden_cart_fee"},{"column":"type","relation":"not_equals","condition":"Product Fee"},{"column":"type","relation":"not_equals","condition":"mw_product_option"},{"column":"type","relation":"not_equals","condition":"mw_motivator_product"},{"column":"type","relation":"not_equals","condition":"mw_product_option_cloned"}],"published_scope":"web"},{"id":426544038138,"handle":"year-round","title":"Year-Round","updated_at":"2025-10-27T14:19:31-06:00","body_html":"\u003cp\u003eSome parts you just need all year. We carry a huge selection of Bearings and Bushings, Belts, Cables, Fluids and Lubricants, Hardware, Free Manuals, Maintenance Kits, Wheels and Tires, and so much more\u003c\/p\u003e\n\u003c!----\u003e","published_at":"2024-05-15T18:06:39-06:00","sort_order":"best-selling","template_suffix":"","disjunctive":true,"rules":[{"column":"type","relation":"equals","condition":"Bail \u0026 Control Handles"},{"column":"type","relation":"equals","condition":"Ball Joints"},{"column":"type","relation":"equals","condition":"Batteries \u0026 Battery Parts"},{"column":"type","relation":"equals","condition":"Bearings \u0026 Bushings"},{"column":"type","relation":"equals","condition":"Belts"},{"column":"type","relation":"equals","condition":"Brake Parts"},{"column":"type","relation":"equals","condition":"Cables"},{"column":"type","relation":"equals","condition":"Handle Parts \u0026 Knobs"},{"column":"type","relation":"equals","condition":"Hardware"},{"column":"type","relation":"equals","condition":"Ignition Keys"},{"column":"type","relation":"equals","condition":"Maintenance Kit"},{"column":"type","relation":"equals","condition":"Manuals"},{"column":"type","relation":"equals","condition":"Mufflers"},{"column":"type","relation":"equals","condition":"Power Tool Parts"},{"column":"type","relation":"equals","condition":"Whole Goods"},{"column":"type","relation":"equals","condition":"Wheel and Tire Parts"},{"column":"type","relation":"equals","condition":"Wheel Spindles"},{"column":"type","relation":"equals","condition":"Switches"},{"column":"type","relation":"equals","condition":"Tools"}],"published_scope":"web","image":{"created_at":"2024-05-15T18:13:53-06:00","alt":"Year-Round","width":1254,"height":836,"src":"\/\/drmower.store\/cdn\/shop\/collections\/iStock-1438377409.jpg?v=1715907012"}}]
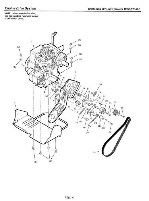
Free download. We carry parts for this snowblower and parts for the engine. If you can't find the parts you need in our online store, please contact us for assistance: parts@drmower.ca 1-877-531-2873.
C950.52844.1 950 52844 1 528441
Standard shipping
Estimated delivery time: 7-10 days
Specifications
Find high-quality small engine, tractor, golf cart, turf care, pressure washer & snowblower parts for reliable performance.